| FTDX3000修理完了 (2025/10/24) |
YAESU FTDX3000 100W機。我がシャックのメイン機です
ところがパワー/PROC調整が出来ないという故障を持っています
同軸上にあるマイクレベルは調整できるのに外側のつまみを回しても調整できません
SSBやFT8ではMICレベルでパワー調整が出来ますがCWはフルパワーが出てしまうのでリニアアンプが使えません

|
故障状況を解説する娘Jolynaのビデオ
|
フィリピンのYAESUの代理店に見積もりを依頼したところ67,575円+マニラまでの往復送料がかかります
ちょっと気軽に頼めません
On the FTDX3000 parts request.
The cost of the CNTL UNIT Php20,500.00
Cost for installation is Php5,000.00
|
FTDX3000の部品リクエストについて。
CNTLユニットの費用はPhp20,500.00です。
設置費用はPhp5,000.00です。
日本円にして67,575円です |
FTDX3000のコントロールユニット(CNTL Unit)
 |
以前ボリュームユニットの故障を疑ってマニラのYAESU代理店に注文して交換しました
それでも症状は改善しませんでした
 |
そこで自分で修理してみることにしました
まずはサービスマニュアル探し
Googleで調べたところVR7EDがサービスマニュアルをアップロードしていました。
でもA4サイズで印刷しても文字が細かくて読めません
 |
PDFファイルを最大値である500倍まで拡大してやっと読めるようになりました
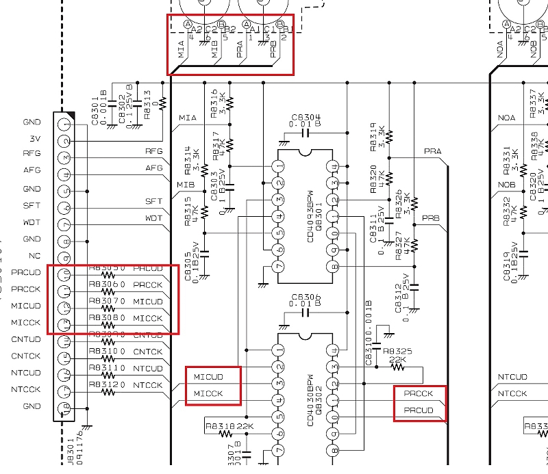
コントロールユニット(CNTL Unit)のCPU R5F61663FPU(Renesas H8SX/1663シリーズ)
赤枠で囲っているのがボリュームユニット(VR-A-UNIT)のローターリーエンコーダーから送られてくる信号
マイクレベルの信号がMICUDとMICCK、パワー調整の信号がPRCUDとPRCCK
 |
ボリュームユニット(VR-A-UNIT)のローターリーエンコーダーMIA,MIB,PRA,PRBではパルスが見えています
またフラットケーブルのコネクタPRCUD(10PIN),PRCCK(11PIN),MICUD(12PIN),MICCK(13PIN)でもパルスが出ています
 |
ところがコントロールユニット(CNTL UNIT)の受け側のフラットケーブルの
コネクタJ3010VRでPRCUD(9PIN),PRCCK(8PIN)でパルスが確認できない
そもそもこのコネクタのピン配置が分からない。ChatGPTに相談しながら問題の切り分けをすること1日半
ChatGPTはローターリーエンコーダーの信号を受けるバッファーやプルアップ抵抗が悪くなっているなど様々な提案をしてきます
 |
老眼鏡+拡大鏡を使ってパターンを追いかけました
するとリボンケーブルからの信号は直接CPU R5F61663FPUに入っている事がわかりました。テスターで導通があるのです。
MICUDにはマイクローターリーエンコーダーからのパルスが来ている
しかしPRCUDにはパルスが来ない
この時点でJ3010VRコネクタを疑いました
 |
そこでエナメル線を買ってきてVR-A-UNITから直接CPUへ配線を試みました
ところがパッケージ: 144ピン LQFP(Low Profile Quad Flat Package) ピンピッチ: 0.50 mmの
CPUのピンに直接半田を付けするのは至難の業でした
何度も失敗して時には微細な半田ブリッジでメインVFOまで動かなくなってしまったり、
ピン間を半田でブリッジしてしまったりと途中で何度も諦めか掛けました。
 |
3時間ほど半田ブリッジと格闘してやっと正常に動くようになりました。
次は液晶の白濁修理です
偏光シートは入手済みなのですが液晶をダメにしないか心配で思い悩んでいます
 |
電気スタンドで手元を明るくして拡大鏡で作業中
|
今回の修理で大いに役に立ったオシロスコープTektronix 2445A 150MHz 4ch
でも重くてでかいし45年前のおっひろスコープでとても古いのでそろそろ壊れそう
| Tektronix 2445A |
発売開始:1985年頃
製造終了:1990年代初頭(1992年頃) |
| チャンネル数 |
4ch(うち CH4 はトリガー専用または代替入力として扱われる) |
| 製造メーカー |
Tektronix(米国・オレゴン州) |
| 製造国 |
U.S.A.(初期)→ 後期は一部メキシコ生産もあり |
|
 |
最新式の液晶タイプのオシロスコープが欲しくなります
フィリピンの通販Shopeeで8965ペソ(23700円)
まあTektronix 2445Aが動いている間は購入は我慢です
|
| 2025年10月17日 2025年10月29日 |